Fiyata göre filtrele
Niteliklere göre filtrele
  • ARAÇ MARKA MODEL
Üretici bilgisiyle filtrele

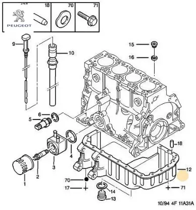
Yağ karteri ve yağlama sistemi parçaları, motorun sağlıklı ve verimli çalışması için hayati önem taşıyan bileşenlerdir. Yağ karteri, motor yağının toplandığı ve yağ pompasına iletildiği haznedir. Bu kategorideki parçalar, motorun sürtünme, aşınma ve ısınma sorunlarını minimuma indirmek için özel olarak tasarlanmıştır.

Devamını Oku

Yağ Karteri Nedir?

Yağ karteri, motor bloğunun altında bulunan ve motor yağını depolayan metal veya alaşım bir kaptır. Motor çalışırken yağ pompası karterden yağı çekip motorun tüm hareketli parçalarına dağıtır. Karterin sağlamlığı, sızdırmazlığı ve doğru kapasitede olması motor performansı için kritik öneme sahiptir.

Yağ karteri ile ilgili arızalar genellikle darbe sonucu çatlama, conta yıpranması veya vidaların gevşemesi nedeniyle yaşanır.

  • Yağ karterleri
  • Yağ karteri contaları
  • Yağ tapaları
  • Yağ seviye sensörleri
  • Yağ karteri koruma kapakları
  • Bağlantı vidaları ve aksesuarlar

Kategoride Yer Alan Parça Grupları

Yağlama sistemi kategorisinde öne çıkan alt ürün grupları şunlardır:

  • Karter gövde parçaları
  • Karter contaları ve sızdırmazlık elemanları
  • Yağ tapaları ve filtre bağlantı parçaları
  • Yağ seviye sensörleri
  • Karter koruma kapakları

Yağ Karteri Parçaları Ne İşe Yarar?

Motor yağının güvenli şekilde depolanması ve doğru devridaimin sağlanması için pek çok parçanın uyum içinde çalışması gerekir. Bu sistem motor ömrünü doğrudan etkiler.

  • Yağ karteri: motor yağını toplar ve yağ pompasına aktarır.
  • Karter contası: sızdırmazlığı sağlar ve yağ kaçaklarını önler.
  • Yağ tapası: yağ boşaltımı için kullanılan vidalı kapak görevini görür.
  • Yağ seviye sensörü: yağ miktarını ölçerek sürücüye uyarı verir.

Yağ Karteri Fiyatları

Yağ karteri ve ilgili parçaların fiyatları; aracın motor hacmine, karter malzemesine, marka kalitesine ve orijinalliğe göre değişiklik gösterir:

  • Uygun fiyatlı: tapalar, contalar, vidalar
  • Orta seviye: seviye sensörleri, bağlantı parçaları
  • Yüksek fiyatlı: alüminyum veya özel alaşımlı yağ karterleri

Motor altında yer aldığı için dayanıklı, darbelere karşı korumalı ve sızdırmazlığı güçlü ürünlerin tercih edilmesi önerilir.

Sık Sorulan Sorular

Yağ karteri neden önemlidir?

Motor yağının depolandığı ana bölümdür ve yağlama sisteminin sağlıklı çalışması için kritik rol oynar.

Yağ karteri neden çatlar?

Yol darbeleri, hız tümseklerine sert çarpma veya alt takım hasarı karter çatlamasına neden olabilir.

Yağ kaçağı nasıl anlaşılır?

Aracın altından damlayan yağ, motor alt bölgesinde ıslaklık ve düşük yağ seviyesi en belirgin belirtilerdir.

Yağ karteri contası ne zaman değişir?

Karter sökülüp takıldığında veya yağ sızıntısı görüldüğünde mutlaka değiştirilmelidir.

Filtrele
Olarak görüntüle
Göre sırala
Görüntüle
YAĞ KARTERİ CONTASI

Karter Contasi Boxer Iii-transit 2.2hdi/tdci E4/e5 0304.58/ 9660148080

OTC40136065
OEM KODU: 0304.58/ 9660148080
₺186,00
YAĞ KARTERİ CONTASI

Karter Contasi Boxer-jumper 2.2hdi 06-> Peugeot 3S7Q6710AA/ FIAT, FORD, CITROEN, PEUGEOT, JAGUAR, MAZDA, LAND ROVER 0304.58

PEU0304.58
OEM KODU: 3S7Q6710AA/ (%100 Orjinal)
₺650,00 ₺585,00
YAĞ KARTERİ CONTASI

Karter Contasi Clio Iii-megane Ii-fluence 1.5 Dci 8200379654

R.H2 455050
OEM KODU: 8200379654
₺500,00
YAĞ KARTERİ CONTASI

Karter Contasi Ducato 2.3jtd 02=> (f1ae0481c)

REINZ71-37549-00
OEM KODU: 504018307
₺647,00
YAĞ KARTERİ CONTASI

Karter Contasi Euro6 - Jest Karsan 1011002AA

KRS1011002AA
OEM KODU: (%100 Orjinal)
₺1.042,00
YAĞ KARTERİ CONTASI

Karter Contasi Jumper Ducato Daily Iv 3.0 Hdi 06>16 Ibras 1623834580/ 0304.59/ 5802102055/ 504083813 14657

IBRAS14657
OEM KODU: 1623834580/ 0304.59/ 5802102055/ 504083813
₺391,00 ₺383,00
YAĞ KARTERİ CONTASI

Karter Contasi Jumper Ducato Daily Iv 3.0 Hdi 06>16 Nifea 1623834580/ 0304.59/ 5802102055/ 504083813 PEUGEOT, CITROEN, FIAT, IVECO 14657

NIFEA14657
OEM KODU: 1623834580/ 0304.59/ 5802102055/ 504083813
₺486,00
YAĞ KARTERİ CONTASI

Karter Contasi Kauçuk Boxer-jumper-ducato 2.8hdi/jtd. 500327440/ 98446492

OTC40138068
OEM KODU: 500327440/ 98446492
₺199,00