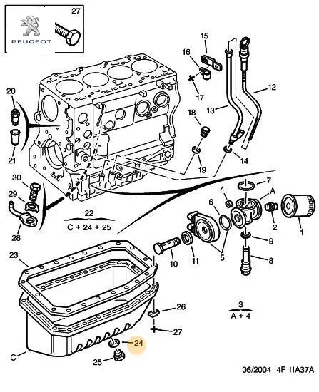
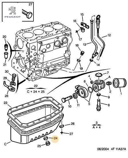
Karter tapa contası s-280 peugeot

Eski fiyat: ₺120,00
₺43,00
OEM KODU: 0313.32 (%100 Orjinal)
Üretici: PEUGEOT
Stok Durumu: Stokta var
Stok Kodu: PEU0313.32
Üretici parti numarası: 0313.32
Teslimat tarihi: 1-2 gün
Bu üründen minimum 4 kadar var.
Loading...

Neden Bu Ürünü Tercih Etmelisiniz?

Orijinal montaj noktalarına uyum sağlayarak hızlı ve kolay bir kurulum imkanı sunar.
Araçların hem estetik görünümünü hem de güvenliğini artırmak için tasarlanmıştır.
Yüksek kaliteli malzemelerden üretilen bu parça, dayanıklılığı ve performansıyla dikkat çekmektedir.
Aracınıza tam uyum sağlar, ekstra işlem gerektirmez.
Uzun ömürlü yapı sayesinde, aracınız daha az bakıma ihtiyaç duyar.

Ürün etiketleri
Sadece kayıtlı kullanıcılar yorum yazabilir