Fiyata göre filtrele
Niteliklere göre filtrele
  • ARAÇ MARKA MODEL
Üretici bilgisiyle filtrele

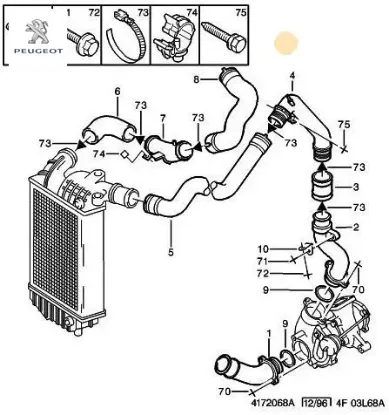
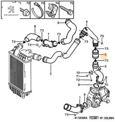
Turbo hortumu ve parçaları, turbo beslemeli motorlarda hava akışını düzenleyen kritik bileşenlerdir. Turbo sisteminin verimli çalışması için basınçlı havanın motora sorunsuz şekilde iletilmesini sağlar. Bu kategoride yer alan hortum ve bağlantı parçaları, hem performans kaybını hem de turbo arızalarını önlemek için tasarlanmıştır.

📄 Turbo Hortumu & Parçaları Kataloğunu Görüntüle

Devamını Oku

Turbo Hortumu Ne İşe Yarar?

Turbo hortumu, turbo tarafından sıkıştırılan havayı intercooler ve emme manifolduna taşır. Hortumda oluşabilecek kaçaklar motor performansını direkt etkiler ve yakıt tüketimi artar. Bu yüzden sağlam, esnek ve yüksek ısıya dayanıklı malzemeler kullanılması gerekir.

Kategoride Bulabileceğiniz Parçalar

  • Turbo hortumları
  • Intercooler hortumları
  • Turbo bağlantı boruları
  • Basınç sensörü bağlantıları
  • Kelepçe ve bağlantı setleri

Turbo Hortumu Arızası Nasıl Anlaşılır?

  • Çekiş düşmesi
  • Turbo basınç hatası
  • Siyah duman artışı
  • Islık veya hava kaçırma sesi
  • Artan yakıt tüketimi

Fiyatları Etkileyen Unsurlar

Turbo hortumu fiyatları; malzeme kalitesi, esneklik derecesi, OEM üretim yapısı ve bağlantı şekline göre değişiklik gösterir. Kauçuk hortumlar daha ekonomikken, silikon takviyeli hortumlar yüksek sıcaklık dayanımı nedeniyle daha üst segmenttedir.

Sık Sorulan Sorular

Turbo hortumu neden patlar?

Aşırı basınç, yüksek sıcaklık, malzeme yorulması veya yağlanma nedeniyle patlayabilir.

Hortum değişimi motor performansını artırır mı?

Evet. Kaçaklar giderildiğinde turbo basıncı yeniden stabil hale gelir.

Filtrele
Olarak görüntüle
Göre sırala
Görüntüle
TURBO HORTUMU VE PARÇALARI

Intercooler Hortumu Büyük Plas.parça Hariç Transit CC116C646BG / 1811806

IBRAS19658
OEM KODU: CC116C646BG / 1811806
₺469,00
TURBO HORTUMU VE PARÇALARI

Intercooler hortumu daıly ııı s2000 2.8 tdı 01 06 99487930/ 504030935/ 504013410

GROS T93001
OEM KODU: 99487930/ 504030935/ 504013410
₺1.046,00
TURBO HORTUMU VE PARÇALARI

Intercooler Hortumu Küçük Plastik Parça Hariç T/1 1C156C646AJ / 4714482

IBRAS19630
OEM KODU: 1C156C646AJ / 4714482
₺423,00 ₺414,00
TURBO HORTUMU VE PARÇALARI

Intercooler Hortumu Küçük Plas.parça Hariç Transi CC116C646BG / 1811806

IBRAS19659
OEM KODU: CC116C646BG / 1811806
₺184,00
TURBO HORTUMU VE PARÇALARI

Intercooler Hortumu Sağdan Çikiş Üst Egea 1.3 52014558

OPAR52014558
OEM KODU: 52014558
₺1.878,00
TURBO HORTUMU VE PARÇALARI

Intercooler Hortumu Sprinter Nifea 9015284382 MERCEDES-BENZ 33405

NIFEA33405
OEM KODU: 9015284382
₺465,00
TURBO HORTUMU VE PARÇALARI

Intercooler motor arası hortumu j10 k130205/ 20018594112

NIFEA17783
OEM KODU: K130205/ 20018594112
₺1.234,00
TURBO HORTUMU VE PARÇALARI

Intercooler Motor Arasi Hortumu J10 Ibras K130205/ 20018594112 17783

IBRAS17783
OEM KODU: K130205/ 20018594112
₺786,00